GM Service Manual Online
For 1990-2009 cars
Makes
🢒
Chevrolet
🢒
2004
🢒
Tahoe - 4WD
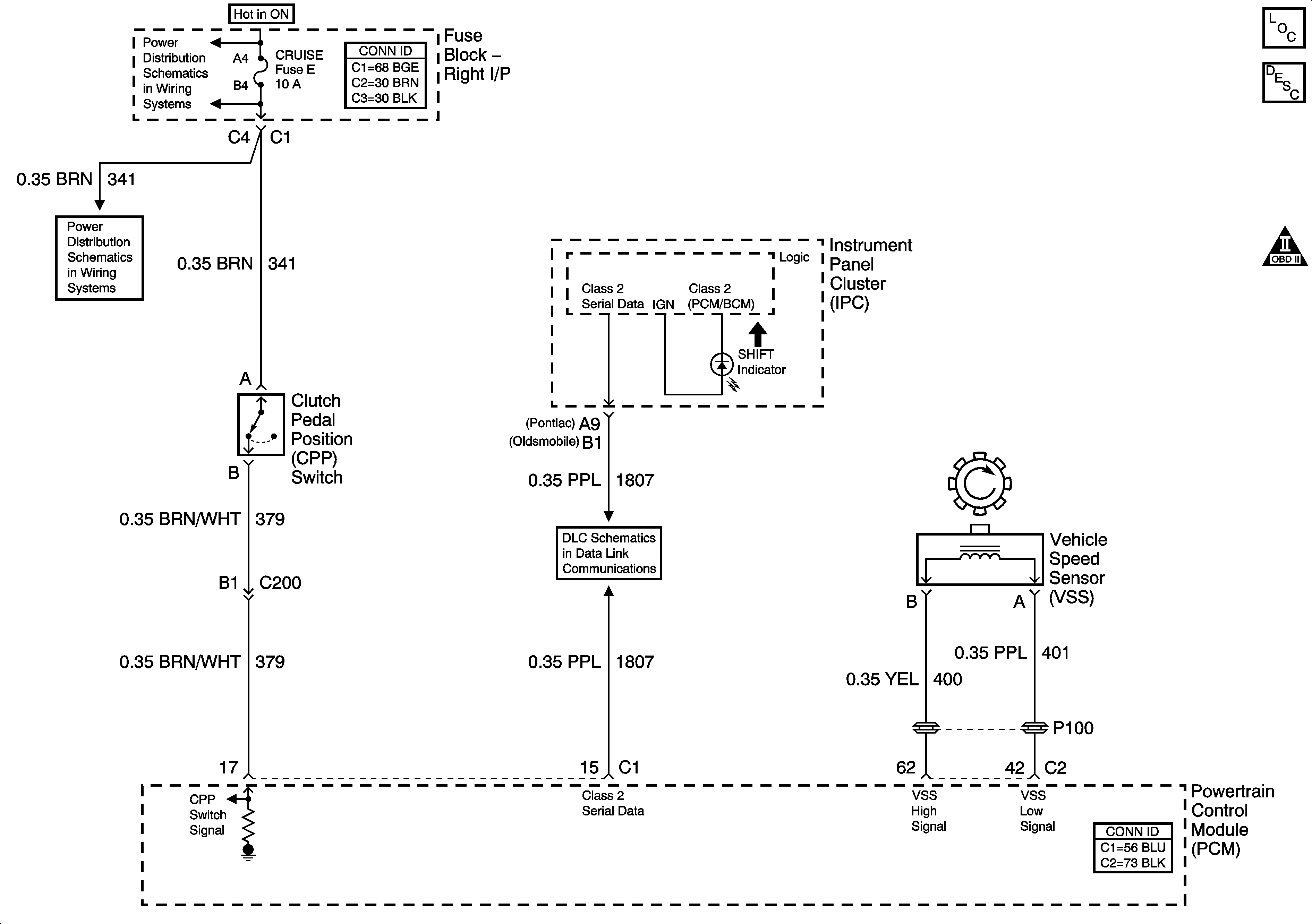
🢒 Manual Transmission Schematics
Manual Transmission Schematics
Master Electrical Component List
Transmission System Description and Operation
OBD II Symbol Description Notice
PWR WNDW, Circuit Breaker, CRUISE SW, CRUISE, SUNROOF, HVAC BLOWER Fuses
PWR WNDW, Circuit Breaker, CRUISE SW, CRUISE, SUNROOF, HVAC BLOWER Fuses
Data Link Connector (DLC) Schematics