GM Service Manual Online
For 1990-2009 cars

Tools Required

J 41476 Front and Rear Cover Alignment Tool

Removal Procedure


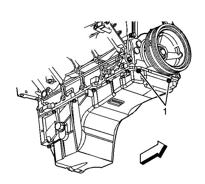
    Object Number: 832976  Size: SH
  1. Remove the water pump. Refer to Water Pump Replacement .
  2. Remove the crankshaft balancer. Refer to Crankshaft Balancer Replacement .
  3. Remove the oil pan-to-front cover bolts (1).

  4. Object Number: 832977  Size: SH
  5. Remove the front cover bolts.
  6. Remove the front cover and gasket.
  7. Discard the front cover gasket.
  8. If required, clean and inspect the engine front cover. Refer to Engine Front Cover Cleaning and Inspection .

Installation Procedure

Important: 

   • Do not reuse the crankshaft oil seal or front cover gasket.
   • Do not apply any type of sealant to the front cover gasket, unless specified.
   • The special tool in this procedure is used to properly center the front crankshaft front oil seal.
      - All gasket surfaces should be free of oil or other foreign material during assembly.
      - The crankshaft front oil seal MUST be centered in relation to the crankshaft.
      - An improperly aligned front cover may cause premature front oil seal wear and/or engine oil leaks.


    Object Number: 832977  Size: SH
  1. Apply a 5 mm (0.20 in) bead of sealant 20 mm (0.80 in) long to the oil pan to engine block junction. Refer to Adhesives, Fluids, Lubricants, and Sealers .
  2. Install the front cover gasket and cover.
  3. Install the front cover bolts until snug. Do not overtighten.

  4. Object Number: 832976  Size: SH
  5. Install the oil pan-to-front cover bolts (1) until snug. Do not over tighten.

  6. Object Number: 451712  Size: SH
  7. Install J 41476 to the front cover.
  8. Align the tapered legs of the J 41476 with the machined alignment surfaces on the front cover.
  9. Notice: Refer to Fastener Notice in the Preface section.

  10. Install the crankshaft balancer bolt until snug. Do not overtighten.
  11. Tighten

    1. Tighten the oil pan to front cover bolts to 25 N·m (18 lb ft).
    2. Tighten the engine front cover bolts to 25 N·m (18 lb ft).
  12. Remove the J 41476 .
  13. Install a NEW crankshaft front oil seal. Refer to Crankshaft Front Oil Seal Replacement .
  14. Install the water pump. Refer to Water Pump Replacement .