GM Service Manual Online
For 1990-2009 cars

Auxiliary Heater Core Replacement Tahoe/Yukon

Removal Procedure


    Object Number: 612394  Size: SH
  1. Remove the auxiliary HVAC module (4) from the vehicle. Refer to Auxiliary HVAC Module Replacement

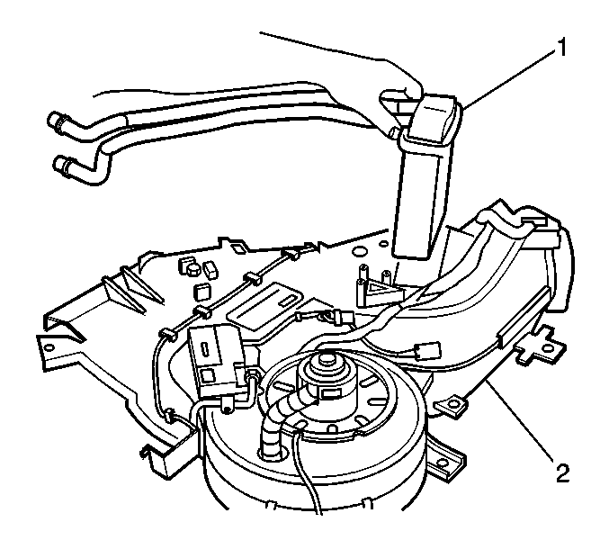
  2. Object Number: 621729  Size: SH
  3. Remove the air temperature actuator (1) from the auxiliary HVAC module.

  4. Object Number: 621730  Size: SH
  5. Remove the heater core cover (1) from the auxiliary HVAC module.

  6. Object Number: 621732  Size: SH
  7. Remove the heater core (1) from the auxiliary HVAC module.

Installation Procedure


    Object Number: 621732  Size: SH
  1. Install the heater core (1) to the auxiliary HVAC module.

  2. Object Number: 621730  Size: SH
  3. Install the heater core cover (1) to the auxiliary HVAC module.

  4. Object Number: 621729  Size: SH
  5. Install the air temperature actuator (1) to the auxiliary HVAC module.

  6. Object Number: 612394  Size: SH
  7. Install the auxiliary HVAC module assembly  (4) to the vehicle. Refer to Auxiliary HVAC Module Replacement

Auxiliary Heater Core Replacement Suburban/Yukon XL

Removal Procedure


    Object Number: 612400  Size: SH
  1. Remove the auxiliary HVAC module (3) from the vehicle. Refer to Auxiliary HVAC Module Replacement .

  2. Object Number: 615126  Size: SH
  3. Remove the air temperature actuator (1) from the auxiliary HVAC module.

  4. Object Number: 624064  Size: SH
  5. Remove the stud on the underside of the auxiliary HVAC module between the heater core inlet and outlet pipes.
  6. Carefully separate the heater core pipe gasket from the module case and remove the heater core pipe retainer.
  7. Remove the auxiliary HVAC module lower cover.

  8. Object Number: 624066  Size: SH
  9. Remove the heater core clamp.
  10. Remove the heater core from the auxiliary HVAC module.

Installation Procedure


    Object Number: 624066  Size: SH
  1. Install the heater core to the auxiliary HVAC module.
  2. Install the heater core clamp.

  3. Object Number: 624064  Size: SH
  4. Install the auxiliary HVAC module lower cover.
  5. Install the heater core pipe retainer and gasket.
  6. Install the stud between the heater core inlet and outlet on the underside of the rear HVAC module.

  7. Object Number: 615126  Size: SH
  8. Install the air temperature actuator (1) to the auxiliary HVAC module.

  9. Object Number: 612400  Size: SH
  10. Install the auxiliary HVAC module assembly  (3) to the vehicle.