GM Service Manual Online
For 1990-2009 cars

Power Steering Pump Replacement 4.8L, 5.3L and 6.0L

Removal Procedure

  1. Remove the power steering pulley. Refer to Power Steering Pump Pulley Replacement .
  2. Raise the vehicle. Refer to Lifting and Jacking the Vehicle in General Information.

  3. Object Number: 309158  Size: SH
  4. Remove the oil pan skid plate bolts.
  5. Remove the oil pan skid plate from the vehicle, if equipped.
  6. Place a drain pan under the vehicle.

  7. Object Number: 898604  Size: SH
  8. Remove the power steering pressure hose (2) from the power steering pump from underneath the vehicle.
  9. Lower the vehicle.

  10. Object Number: 898607  Size: SH
  11. Remove the clamps (3,5) retaining the power steering return hoses to the power steering pump and remove the hoses.
  12. Remove the lower intermediate shaft from the steering gear. Refer to Lower Intermediate Steering Shaft Replacement in Steering Wheel and Column.

  13. Object Number: 346660  Size: SH
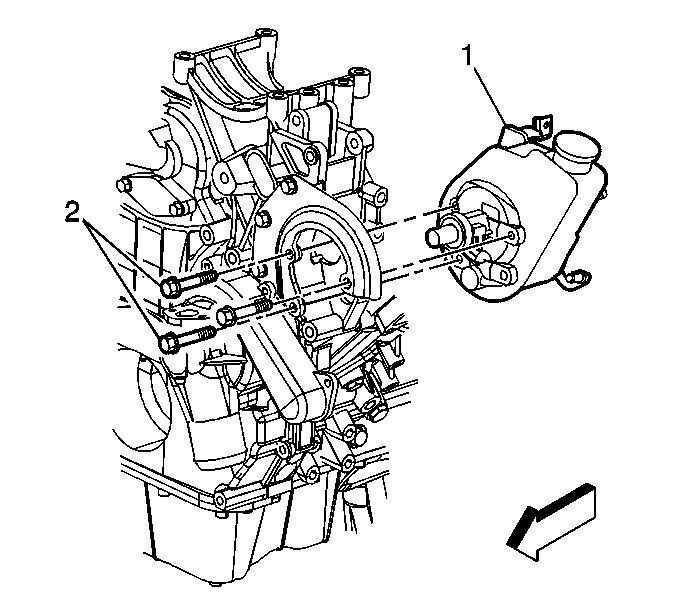
  14. Remove the bolt retaining the rear bracket to the engine.
  15. Remove the bolts from the front of the pump.
  16. Remove the pump from the vehicle.

  17. Object Number: 656325  Size: SH
  18. Remove the bracket (3) from the rear of the pump (1).

Installation Procedure

    Notice: Refer to Fastener Notice in the Preface section.


    Object Number: 656325  Size: SH
  1. Install the bracket (3) to the rear of the pump (1).
  2. Tighten
    Tighten the rear bracket retaining nuts to 50 N·m (37 lb ft).


    Object Number: 346660  Size: SH
  3. Install the power steering pump.
  4. Install the bolt retaining the rear bracket to the engine.
  5. Tighten
    Tighten the rear power steering bracket bolt to engine bracket to 50 N·m (37 lb ft).

  6. Install the bolts to the front of the pump.
  7. Tighten
    Tighten the bolts to 50 N·m (37 lb ft).


    Object Number: 898607  Size: SH
  8. Install the power steering pump return hoses (2,4) to the power steering pump and install the retaining clamps.
  9. Raise the vehicle. Refer to Lifting and Jacking the Vehicle in General Information.

  10. Object Number: 898604  Size: SH
  11. Install the power steering pressure hose (2) to the power steering pump.
  12. Tighten
    Tighten the fitting to 28 N·m (20 lb ft).


    Object Number: 309158  Size: SH
  13. Install the oil pan skid plate, if equipped.
  14. Install the oil pan skid plate bolts.
  15. Tighten
    Tighten the retaining bolts to 20 N·m (15 lb ft).

  16. Lower the vehicle.
  17. Install the intermediate shaft. Refer to Lower Intermediate Steering Shaft Replacement .
  18. Install the power steering pulley. Refer to Power Steering Pump Pulley Replacement .
  19. Fill and bleed the power steering system. Refer to Power Steering System Bleeding .

Power Steering Pump Replacement 8.1L

Removal Procedure

  1. Place a drain pan under the vehicle.
  2. Remove the power steering pulley. Refer to Power Steering Pump Pulley Replacement .

  3. Object Number: 748676  Size: SH
  4. Remove the nut (1) and clamp (3) retaining the filler neck (1) to the power steering pump, if equipped.

  5. Object Number: 656333  Size: SH
  6. Remove the bolts (2) from the front of the pump.
  7. Remove the bolts retaining the power steering mounting bracket.

  8. Object Number: 656330  Size: SH
  9. Remove the bolts (1) from the rear of the pump.

  10. Object Number: 898607  Size: SH
  11. Remove the power steering return hoses (2,4) from the power steering pump.

  12. Object Number: 898604  Size: SH
  13. Remove the power steering pressure hoses (2) from the power steering pump.
  14. Remove the pump from the vehicle.
  15. Remove the rear bracket from the power steering pump.

Installation Procedure

    Notice: Use the correct fastener in the correct location. Replacement fasteners must be the correct part number for that application. Fasteners requiring replacement or fasteners requiring the use of thread locking compound or sealant are identified in the service procedure. Do not use paints, lubricants, or corrosion inhibitors on fasteners or fastener joint surfaces unless specified. These coatings affect fastener torque and joint clamping force and may damage the fastener. Use the correct tightening sequence and specifications when installing fasteners in order to avoid damage to parts and systems.

  1. Install the rear bracket to the power steering pump.
  2. Tighten
    Tighten the rear bracket retaining nuts to 50 N·m (37 lb ft).

  3. Install the power steering pump to the vehicle.

  4. Object Number: 898604  Size: SH
  5. Install the pressure hose (2) to the power steering pump.
  6. Tighten
    Tighten the hose fitting to 28 N·m (20 lb ft).


    Object Number: 898607  Size: SH
  7. Install the power steering return hoses (2,4) and retaining clamps to the power steering pump.

  8. Object Number: 656330  Size: SH
  9. Install the bolts (1) to the rear of the power steering pump.
  10. Tighten
    Tighten the rear bolts to 50 N·m (37 lb ft).

  11. Install the power steering pump mounting bracket bolts.
  12. Tighten
    Tighten the mounting bracket bolts to 50 N·m (37 lb ft).


    Object Number: 656333  Size: SH
  13. Install the bolts (2) to the front of the pump.
  14. Tighten
    Tighten the power steering pump retaining bolts to 50 N·m (37 lb ft).


    Object Number: 748676  Size: SH
  15. Install the filler neck to the power steering pump.
  16. Install the nut (1) and clamp (3) retaining the filler neck to the power steering pump.
  17. Tighten
    Tighten the filler neck retaining nut to 25 N·m (18 lb ft).

  18. Fill and bleed the power steering system. Refer to Power Steering System Bleeding .